Məhsullar
Swing yoxlama klapan
  • Swing yoxlama klapanSwing yoxlama klapan

Swing yoxlama klapan

Jinqiu Valve keyfiyyətli yelləncək çek klapan, birtərəfli klapan və ya çek klapan kimi tanınan avtomatik klapan istehsal edir. Onun funksiyası boru kəmərindəki mühitin geri axmasının qarşısını almaq, mayenin bir istiqamətdə axmasına imkan verməkdir. Boru kəməri sisteminə zərər verə biləcək geri axının (geri axının) qarşısını effektiv şəkildə alır. Vana, mühitin geri axmasının qarşısını almaq üçün mühitin axını və qüvvəsi ilə açılış və bağlanma komponentlərini açır və ya bağlayır.
Jinquan Valve is a high-tech enterprise integrating valve product research, production, sales, and service. As an H44H and H44Y type PN16 ~ PN250 swing check valves supplier, our customized swing check valves are suitable for pressures of 1.6 ~ 25MPa, working temperatures of -29 ~ +550 ℃, and are applicable to pipeline conditions in the petroleum, chemical, pharmaceutical, fertilizer, power industries, and other environments. Applicable media include water, oil, steam, acidic media, and so on. We have been operating in the valve manufacturing field for over twenty years. With our experience, we have won high praise from the market for our reasonable prices, high quality, and attentive service.

1. Avtomatik Açılış və Bağlanma: Yelləncək yoxlama klapan media axınının gücünə əsasən avtomatik olaraq açılır və bağlanır. Media müəyyən edilmiş istiqamətdə axdıqda, klapan diski itələnir və klapan açılır. Media axını dayandırdıqda və ya geri axdıqda, klapan diski öz çəkisi və ya yay qüvvəsi altında bağlanaraq geri axının qarşısını alır. Avtomatik idarəetməyə nail olmaq üçün əl ilə işləməyə ehtiyac yoxdur.
2. Etibarlı Sızdırmazlıq: Valf diskinin və oturacağının sızdırmazlıq səthləri adətən qaynaqlanmış dəmir əsaslı ərintidən və ya Stellite kobalt əsaslı sərt ərintidən hazırlanır, aşınmaya davamlı, istiliyədavamlı, korroziyaya davamlı və yaxşı cızılma müqavimətinə malikdir. Bu, uzunmüddətli sabit sızdırmazlıq effektini təmin edir və media sızmasının qarşısını effektiv şəkildə alır. 3. Maneəsiz Axın Kanalı: Axın kanalı rasional olaraq dizayn edilmişdir, nəticədə mayenin aşağı müqaviməti. Media yelləncək yoxlama klapanından rəvan keçə bilər, təzyiq itkisini və enerji istehlakını azaldır.

Performans parametrləri

model H44H-16C~250 H44W-16P~250
İş təzyiqi (MPa) 1.6~25
müvafiq temperatur (℃) ≤425 ≤550
Uyğun media Su, buxar, yağ Zəif aşındırıcı mühit
material Korpus, kapot, disk Karbon polad Xrom nikel-titan paslanmayan polad
Sızdırmazlıq səthi Karbon polad səthi dəmir əsaslı ərintilər Bədən möhürlənmişdir

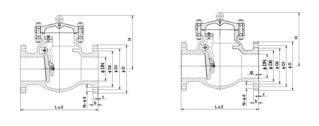
Əsas forma və əlaqə ölçüləri

Nominal diametrDN Əsas ölçülər və əlaqə ölçüləri
L D D1 D2 b Z-d H
H44H-16C H44W-16C H44W-16P H44W-16R H44W-16I
25 160 115 85 65 16 4-14 100
32 180 135 100 78 16 4-18 105
40 200 145 100 85 16 4-18 115
50 230 160 125 100 16 4-18 135
65 290 180 145 120 18 4-18 142
80 310 195 160 135 20 8-18 165
100 350 215 180 155 20 8-18 180
125 400 245 210 185 22 8-18 210
150 480 280 240 210 24 8-23 233
200 500 335 295 265 26 12-23 304
250 550 405 355 320 30 12-25 348
300 650 460 410 375 30 12-25 390
350 750 520 470 435 34 16-25 430
400 850 580 525 485 36 16-30 468
H44H-25 H44W-25 H44W-25P H44W-25R H44W-25I
25 160 115 85 65 16 4-14 100
32 180 135 100 78 16 4-18 105
40 200 145 110 85 16 4-18 115
50 230 160 125 100 20 4-18 160
65 290 180 145 120 22 8-18 175
80 310 195 160 135 22 8-18 185
100 350 230 190 160 24 8-23 220
125 400 270 220 188 28 8-25 248
150 480 300 250 218 30 8-25 276
200 550 360 310 278 34 12-25 350
250 650 425 370 332 36 12-30 410
300 750 485 430 390 40 16-30 430
350 850 550 490 448 44 16-34 518
400 950 610 550 505 48 16-34 560

Struktur şəkli

Qaynar Teqlər: Swing Check Valve, Çin, Xüsusi, Keyfiyyətli, Davamlı, Qabaqcıl, İstehsalçı, Təchizatçı, Zavod, Stokda
Sorğu göndərin
Əlaqə məlumatı
  • Ünvan

    No.1, North 1st Road, Paslanmayan Polad Yeni Şəhər, Lecong Steel World West Road, Shunde District, Foshan City, Guangdong Province, Çin

Qapı klapanları, qlob klapanlar və yoxlama klapanları və ya qiymət siyahısı ilə bağlı suallarınız üçün e-poçtunuzu bizə buraxın və biz 24 saat ərzində əlaqə saxlayacağıq.

X
Biz sizə daha yaxşı baxış təcrübəsi təklif etmək, sayt trafikini təhlil etmək və məzmunu fərdiləşdirmək üçün kukilərdən istifadə edirik. Bu saytdan istifadə etməklə siz kukilərdən istifadəmizlə razılaşırsınız. Məxfilik Siyasəti
Rədd edin Qəbul edin