Məhsullar
API yoxlama klapan
  • API yoxlama klapanAPI yoxlama klapan

API yoxlama klapan

Jinqiu Valve yüksək keyfiyyətli API yoxlama klapanları ASME, API və GB standartlarına cavab verir. Qabaqcıl CNC emal mərkəzləri və metal kəsmə avadanlığı ilə təchiz edilmiş şirkət, API yoxlama klapan hissələrinin dəqiqliyini və keyfiyyətini təmin etmək üçün məhsulun dizaynında və istehsalında CAD/CAM texnologiyasından istifadə edir, ISO9001 standartlarına riayət edir.

Çində peşəkar yoxlama klapanları istehsalçısı olan Jinqiu Valve, bizim API yoxlama klapanlarımız tamamilə Amerika standartlarına uyğun dizayn edilmiş və istehsal edilmişdir. Bu klapanlar estetik baxımdan xoş bir quruluşa və qabaqcıl texnologiyaya malikdir. API yoxlama klapanları geri axının qarşısını almaq üçün mühitin özünün axınına əsasən avtomatik olaraq klapan diskini açır və bağlayır. Onlar həmçinin bir tərəfli klapanlar, yoxlama klapanları və ya geri axın klapanları kimi tanınırlar. Onların əsas funksiyaları mühitin geri axınının qarşısını almaq, nasosun və sürücü mühərrikinin tərsinə çevrilməsinin qarşısını almaq və qabın içərisində mühitin sızmasının qarşısını almaqdır.


1. Aşağı Axın Müqaviməti: API yoxlama klapan tam açıq olduqda, axın yolu demək olar ki, maneəsizdir və nəticədə aşağı təzyiq düşməsi baş verir.
2. Tez bağlanma və geri axının qarşısının alınması: Klapanın diskinin qolu hərəkəti hətta geri axının başlanğıcında belə sürətli cavab verməyə və bağlanmağa imkan verir.
3. Geniş Tətbiq: DN50-dən DN1200-ə və yuxarıya qədər geniş diametrli boru diametrləri üçün uyğundur.

Performans parametrləri

Seriya nömrəsi layihə adı parametr
1 Nominal təzyiqPN(MPa) 150 LB 300 LB 600 LB 900 LB 1500 LB 2500 LB
2.0 5.0 10.0 15.0 25.0 42.0
2 Qabıq gücü test təzyiqi Otaq temperaturunda nominal təzyiq 1,5 dəfə
3 Yüksək təzyiqli möhür test təzyiqi Otaq temperaturunda nominal təzyiq 1,1 dəfə
4 Otaq temperaturunda iş təzyiqi ASME B16.34 təzyiq və temperatur göstəricisini basın

Məhsulun spesifikasiyası

dizayn standartları Struktur uzunluğu Flanş bağlantısı ölçüsü Test və yoxlama Təzyiq və temperatur arayışı
API6D/ASME B16.34 ASME B16.10 ASME B16.5 API598/API6D ASME B16.34

Əsas hissə materialı

Hissə adı Materialın adı
Bədən A216 WCB A217 WC6 A351 CF8 A351 CF8M A351 CF3 A351 CF3M
qapaq A216 WCB A217 WC6 A351 CF8 A351 CF8M A351 CF3 A351 CF3M
Vana lövhəsi A216 WCB A217 WC6 A351 CF8 A351 CF8M A351 CF3 A351 CF3M
Sızdırmazlıq səthi 13Cr/STL STL Bədən / STL Bədən / STL Bədən / STL Bədən / STL
Valf mili A182 F6a A182 F11 A182 F304 A182 F316 A182 F304L A182 F316L
Conta Çevik qrafit Çevik qrafit Çevik qrafit Çevik qrafit Çevik qrafit Çevik qrafit
bolt A193 B7 A193 B16 A193 B8 A193 B8M A193 B8 A193 B8M
qoz A194 2H A194 4 A194 8 A194 8M A194 8 A194 8M
İşləmə temperaturu -29~425℃ -29~540℃ -46~425℃ -46~425℃ -46~425℃ -46~425℃
Uyğun media buxar buxar Zəif aşındırıcı Zəif aşındırıcı Zəif aşındırıcı Zəif aşındırıcı

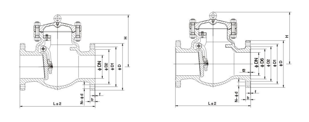
Əsas forma və əlaqə ölçüləri

Nominal diametr ölçüsü
m in L D D1 D2 b f n-Φd H
H44H-150Lb
50 2 203 152 120.5 92 16 1.6 4-19 180
80 3 241 192 152.5 127 19 1.6 4-19 190
100 4 297 229 190.5 157 24 1.6 8-19 203
125 5 330 254 216 186 24 1.6 8-22 229
150 6 356 279 241.5 216 26 1.6 8-22 257
200 8 495 342 298.5 270 29 1.6 8-22 292
250 10 622 406 362 324 31 1.6 12-25 355
300 12 698 483 432 381 32 1.6 12-25 396
H44H-300Lb
50 2 267 165 127 92 23 1.6 8-19 178
80 3 318 210 168.5 127 29 1.6 8-22 216
100 4 356 254 200 157 32 1.6 8-22 241
125 5 400 279 235 186 35 1.6 8-22 267
150 6 444 318 270 216 37 1.6 12-22 305
200 8 533 381 330 270 42 1.6 12-25 368
250 10 622 445 387 324 48 1.6 16-29 394
300 12 711 521 451 381 51 1.6 16-32 445
H44H-600Lb
50 2 295 165 127 92 33 6.4 8-19 203
80 3 359 210 168 127 36 6.4 8-22 235
100 4 435 273 216 157 45 6.4 8-25 286
125 5 511 330 266.5 186 52 6.4 8-29 292
150 6 562 356 292 216 55 6.4 12-29 330
200 8 664 419 349 270 63 6.4 12-32 381
250 10 791 510 432 324 71 6.4 16-35 457
300 12 842 559 489 381 74 6.4 20-35 584

Struktur şəkli

Qaynar Teqlər: API Check Valve, Çin, Xüsusi, Keyfiyyətli, Davamlı, Qabaqcıl, İstehsalçı, Təchizatçı, Zavod, Stokda
Sorğu göndərin
Əlaqə məlumatı
  • Ünvan

    No.1, North 1st Road, Paslanmayan Polad Yeni Şəhər, Lecong Steel World West Road, Shunde District, Foshan City, Guangdong Province, Çin

Qapı klapanları, qlob klapanlar və yoxlama klapanları və ya qiymət siyahısı ilə bağlı suallarınız üçün e-poçtunuzu bizə buraxın və biz 24 saat ərzində əlaqə saxlayacağıq.

X
Biz sizə daha yaxşı baxış təcrübəsi təklif etmək, sayt trafikini təhlil etmək və məzmunu fərdiləşdirmək üçün kukilərdən istifadə edirik. Bu saytdan istifadə etməklə siz kukilərdən istifadəmizlə razılaşırsınız. Məxfilik Siyasəti
Rədd edin Qəbul edin