Məhsullar
Paslanmayan Polad Globe Valf
  • Paslanmayan Polad Globe ValfPaslanmayan Polad Globe Valf

Paslanmayan Polad Globe Valf

JQF Valve tərəfindən istehsal olunan davamlı J41H, J41Y, J41W paslanmayan polad qlobus klapan. Onun açılış və bağlanma hissəsi silindrik klapan qapağıdır, sızdırmazlıq səthi düz və ya konusvari, klapan qapağı isə mayenin mərkəzi xətti boyunca xətti olaraq hərəkət edir. Paslanmayan poladdan kəsmə klapan yalnız tam açılma və tam bağlanma üçün uyğundur. Ümumiyyətlə axın sürətini tənzimləmək üçün istifadə edilmir. Fərdiləşdirildikdə tənzimlənə və tənzimlənə bilər.
Foshan Jinqiu Valve Co., LTD. dizayn, inkişaf, istehsal, satış və xidməti birləşdirən yüksək keyfiyyətli paslanmayan polad qlobus klapan istehsalçısıdır. Əsas məhsullarımıza müxtəlif idarəetmə klapanları, elektrik klapanları, pnevmatik klapanlar, solenoid klapanlar, mexaniki klapanlar, aktuatorlar və klapan aksesuarları daxildir.
Paslanmayan poladdan hazırlanmış qlobus klapanımız paslanmayan polad tökmə gövdəsi, hər iki ucunda flanşlı birləşmələr və qapı klapan quruluşu olan qapı klapanıdır. Onun əsas funksiyası axını dəqiq tənzimləmək və ya boru kəmərlərində mühiti etibarlı şəkildə bağlamaqdır.
Mükəmməl korroziyaya davamlılığı və etibarlı sızdırmazlığı sayəsində kimya, neft-kimya, qida və əczaçılıq sənayelərində aşındırıcı mühitlər və ya yüksək təmizlik tətbiqləri üçün üstünlük verilən klapanlardan birinə çevrilmişdir.
Customers trust JQF valves' high quality, reliable performance, and good and comprehensive customer service. We will continue to innovate to provide first-class valve solutions.

1. Sadə Quruluş: Paslanmayan poladdan qlobus klapan dizaynı sadədir, istehsal və texniki xidmətin rahat və səmərəli olmasına şərait yaradır.
2. Sürətli reaksiya: Qısa iş vuruşu klapanın çox sürətli açılmasına və bağlanmasına imkan verir.
3. Davamlı Sızdırmazlıq: Əla sızdırmazlıq effekti, minimal sürtünmə müqaviməti və uzun xidmət müddəti.

İcra standartı

Dizayn xüsusiyyətləri: GB / T 12235
Struktur uzunluğu: GB / T 12221
Flanş bağlantısı: JB / T 79
Test və yoxlama: JB / T 9002
Məhsulun İdentifikasiyası: GB / T 12220
Çatdırılma xüsusiyyətləri: JB / T 7928

Performans Parametrləri

model J41H-16C~160C J41Y-16C~160C J41W-16P~160P
İş təzyiqi (MPa) 1,6~16,0
müvafiq temperatur (℃) ≤425 ≤150
Uyğun media Su, buxar, yağ Zəif aşındırıcı mühit
material Korpus, kapot Karbon polad Xrom nikel-titan paslanmayan polad
Vana sapı Xrom paslanmayan polad Xrom nikel-titan paslanmayan polad
Sızdırmazlıq səthi Dəmir əsaslı ərintilərin üzlənməsi Sərt üzlük ərintisi Bədən materialı
doldurucu Asbest qrafit, çevik qrafit, PTFE

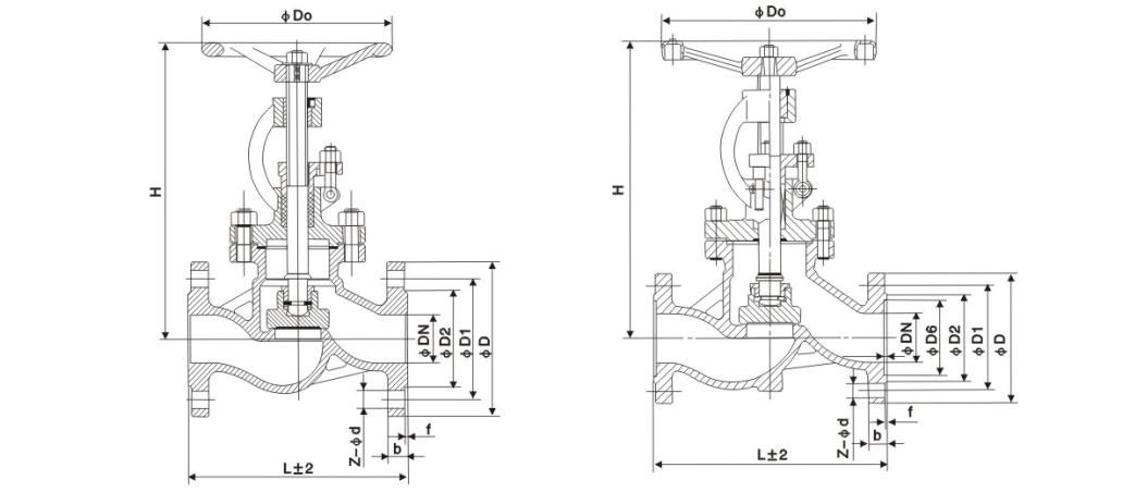
Əsas forma və əlaqə ölçüsü

Nominal diametr Əsas ölçülər və əlaqə ölçüləri
L D D1 D2 b Z-d H D0
J41H-16C
15 130 95 65 45 14-2 4-Φ14 170 120
20 150 105 75 55 14-2 4-Φ14 190 140
25 160 115 85 65 14-2 4-Φ14 205 160
32 180 135 100 78 16-2 4-Φ18 270 180
40 200 145 110 85 16-3 4-Φ18 310 200
50 230 160 125 100 16-3 4-Φ18 358 240
65 290 180 145 120 18-3 4-Φ18 373 240
80 310 195 160 135 20-3 8-Φ18 435 280
100 350 215 180 155 20-3 8-Φ18 500 300
125 400 245 210 185 22-3 8-Φ18 614 320
150 480 280 240 210 24-3 8-Φ23 674 360
200 600 335 295 265 26-3 12-Φ23 811 400
250 650 405 355 320 30-3 12-Φ25 969 450
300 750 460 410 375 30-3 12-Φ25 1145 580
350 850 520 470 435 34-4 16-Φ25 1280 640
400 980 580 525 485 36-4 16-Φ30 1452 640
J41H-25C
15 130 95 65 45 16-2 4-Φ14 170 120
20 150 105 75 55 16-2 4-Φ14 190 140
25 160 115 85 65 16-2 4-Φ14 205 160
32 180 135 100 78 18-2 4-Φ18 270 180
40 200 145 110 85 18-3 4-Φ18 310 200
50 230 160 125 100 20-3 4-Φ18 358 240
65 290 180 145 120 22-3 8-Φ18 373 240
80 310 195 160 135 22-3 8-Φ18 435 280
100 350 230 190 160 24-3 8-Φ23 500 300
125 400 270 220 188 28-3 8-Φ25 614 320
150 480 300 250 218 30-3 8-Φ25 674 360
200 600 360 310 278 34-3 12-Φ25 811 400
250 650 425 370 332 36-3 12-Φ30 969 450
300 750 485 430 390 40-4 16-Φ30 1145 580
350 850 550 490 448 44-4 16-Φ34 1280 640
400 980 610 550 505 48-4 16-Φ34 1452 640

Struktur şəkli

Qaynar Teqlər: Paslanmayan Polad Globe Valf, Çin, Xüsusi, Keyfiyyətli, Davamlı, Qabaqcıl, İstehsalçı, Təchizatçı, Zavod, Stokda
Sorğu göndərin
Əlaqə məlumatı
  • Ünvan

    No.1, North 1st Road, Paslanmayan Polad Yeni Şəhər, Lecong Steel World West Road, Shunde District, Foshan City, Guangdong Province, Çin

Qapı klapanları, qlob klapanlar və yoxlama klapanları və ya qiymət siyahısı ilə bağlı suallarınız üçün e-poçtunuzu bizə buraxın və biz 24 saat ərzində əlaqə saxlayacağıq.

X
Biz sizə daha yaxşı baxış təcrübəsi təklif etmək, sayt trafikini təhlil etmək və məzmunu fərdiləşdirmək üçün kukilərdən istifadə edirik. Bu saytdan istifadə etməklə siz kukilərdən istifadəmizlə razılaşırsınız. Məxfilik Siyasəti
Rədd edin Qəbul edin